Contact us

Load

Contact us

Load
Product was added to the shopping cart

pcs

Components
Measurement and controls Monitoring spotřeb

EM340DIN-AV23X-S1X27

Třífázový dvojtarifní elektroměr 3x65A

Manufacturer: Carlo Gavazzi Carlo Gavazzi
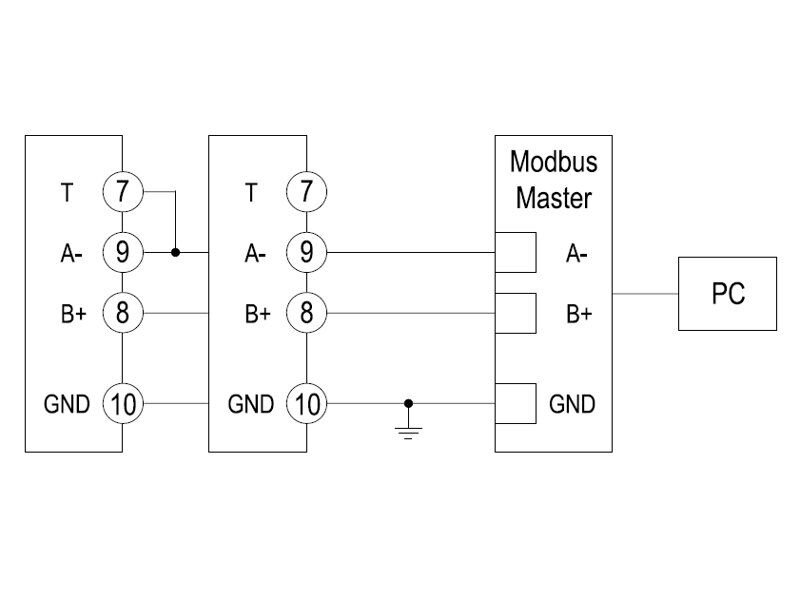
Outputs: RS485 Modbus
Vlastnosti: Kompatibilní s Victron energy
Čtyřkvadrantní měření
Kompatibilní s Navisys
Měření v časovém úseku (DMD)
Podsvit displeje
Měřené napětí: 230 V
400 V
Vstupní signál u nepřímého měř: ---
Měření proudu a napětí: Přímé
Maximum current: 65 A
Installation: DIN rail
Displej: ANO
Power supply: bez napájení
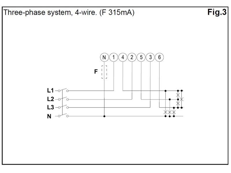
Počet fází: 3
Number of pieces in package: 1

out of stock

Code: 1110281

256,00 € without VAT / PC

Quantity

Log In

Forgot your password? Don't worry. We will send you a new one.
Not registered yet? Create new account

Contact form

Load