Contact us

Load
Product was added to the shopping cart

pcs

Components
Measurement and controls Monitoring spotřeb

MC-BACMS-M

Modul BACnet MS/TP pro WM40 + datalogger

Manufacturer: Carlo Gavazzi Carlo Gavazzi
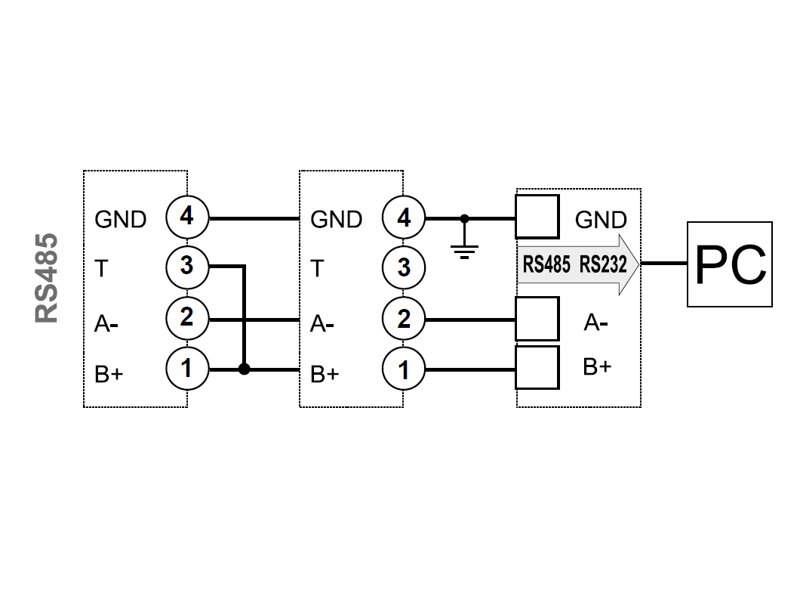
Outputs: BACnet
Vlastnosti: Datalogger
Series: WM40 96
Number of pieces in package: 1

out of stock

Code: 1053751

399,00 € without VAT / PC

Quantity

Log In

Forgot your password? Don't worry. We will send you a new one.
Not registered yet? Create new account

Contact form

Load