Contact us

Load

Contact us

Load
Product was added to the shopping cart

pcs

Components
Measurement and controls Monitoring spotřeb

VMUX-US1X

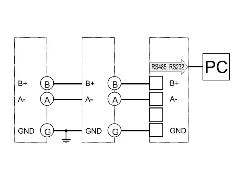
Modul napájení a komunikace RS485 pro VMUE

Manufacturer: Carlo Gavazzi Carlo Gavazzi
Outputs: RS485 Modbus
Series: VMUE + VMUX
Power supply: 38 - 265 VAC/DC
Number of pieces in package: 1

in stock: 1 PC

Code: 1032186

135,00 € without VAT / PC

Quantity

Log In

Forgot your password? Don't worry. We will send you a new one.
Not registered yet? Create new account

Contact form

Load