Contact us

Load
Product was added to the shopping cart

pcs

Components
Measurement and controls Monitoring spotřeb

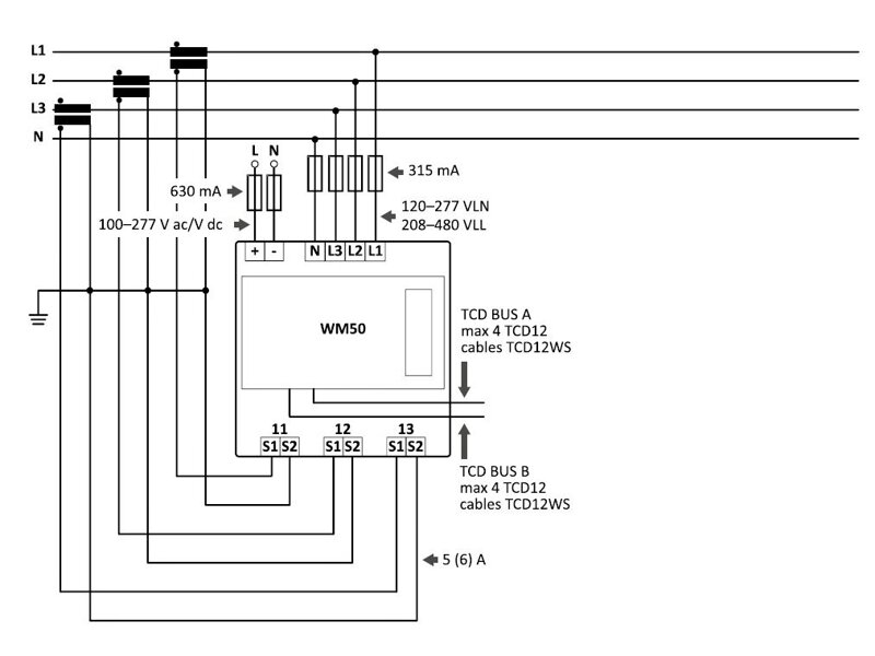
WM50-AV53H-BC

Vícekanálový analyzátor sítě (až 96 míst po 32A)

Manufacturer: Carlo Gavazzi Carlo Gavazzi
Outputs: Ethernet
Optický port
Pulzy (S0)
Relé (alarm/pulzy)
RS232
RS485 Modbus
Vlastnosti: minima – maxima
Čtyřkvadrantní měření
Kompatibilní s Navisys
Měření v časovém úseku (DMD)
Neověřen pro fakturaci MID
Podsvit displeje
Tarifní počítadla kWh
Měřené napětí: 230 V
400 V
Vstupní signál u nepřímého měř: 5A
Měření proudu a napětí: Nepřímé
Installation: panel 96x96
Series: WM50 96
Maximální přímý proud: --- A
Power supply: 100-277VAC/DC
Počet fází: 3
Number of pieces in package: 1

out of stock

Code: 1055909

1 032,00 € without VAT / PC

Quantity

Log In

Forgot your password? Don't worry. We will send you a new one.
Not registered yet? Create new account

Contact form

Load