Contact us

Load
Product was added to the shopping cart

pcs

Components
Measurement and controls Monitoring spotřeb

CPA300-1LS1X

DC/AC elektroměr 300 A s komunikací

Manufacturer: Carlo Gavazzi Carlo Gavazzi
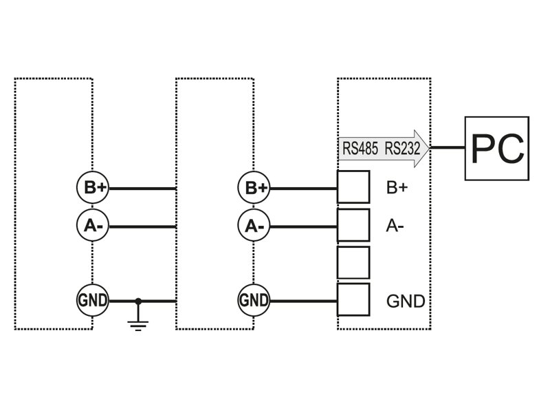
Outputs: RS485 Modbus
Vlastnosti: minima – maxima
Kompatibilní s Navisys
Neověřen pro fakturaci MID
Měřené napětí: 800 V
Měření proudu a napětí: Přímé
Installation: DIN rail
screws
Series: CPA
Rozsah měřeného napětí DC: 50 - 1000 VDC
Maximální přímý proud: 300 A
Maximální měřený proud DC: 400 ADC
Power supply: 9-30VDC
Počet fází: 1
Number of pieces in package: 1

out of stock

Code: 1053448

356,00 € without VAT / PC

Quantity

Log In

Forgot your password? Don't worry. We will send you a new one.
Not registered yet? Create new account

Contact form

Load