Contact us

Load
Product was added to the shopping cart

pcs

Components
Stepping motors and drivers Stepper motors

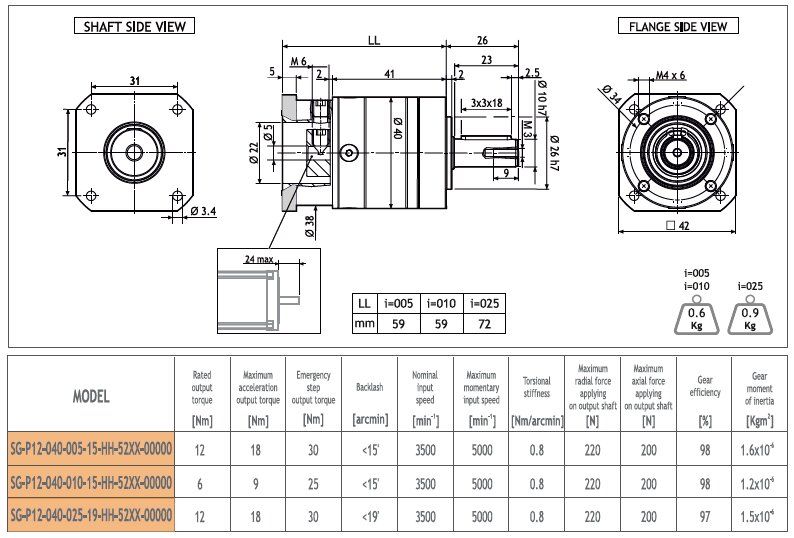
SG-P12-040-010-15-HH-52XX-Gear, i10 42mm

Planetové převodovka, příruba 42mm, 6Nm, 3500-5000 RPM, i=10

Manufacturer: R.T.A. S.r.l. R.T.A. S.r.l.
Max. záběrový moment: 9 Nm
Příruba: 42x42 mm
Záběrový moment: 6 Nm
Převodový poměr: 10
Number of pieces in package: 1

out of stock

Code: 1107860

153,00 € without VAT / PC

Quantity

Log In

Forgot your password? Don't worry. We will send you a new one.
Not registered yet? Create new account

Contact form

Load