Contact us

Load

Contact us

Load
Product was added to the shopping cart

pcs

Components
Measurement and controls Monitoring spotřeb

EM28072D-MV53X-OSN

Dvojitý 3F elektroměr s autodetekcí rozsahu

Manufacturer: Carlo Gavazzi Carlo Gavazzi
Outputs: Pulzy (S0)
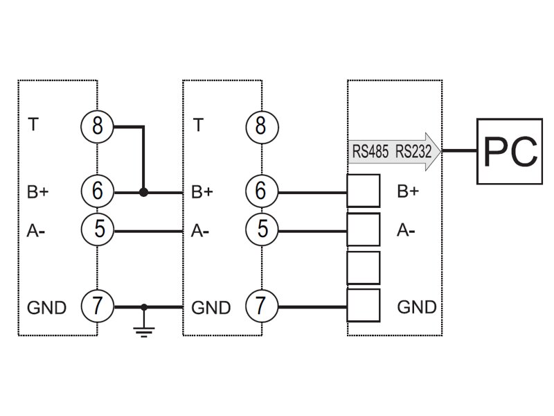
RS485 Modbus
Vlastnosti: Kompatibilní s Navisys
Měření v časovém úseku (DMD)
Neověřen pro fakturaci MID
Měřené napětí: 230 V
400 V
Vstupní signál u nepřímého měř: ---
Měření proudu a napětí: Nepřímé
Installation: DIN rail
panel 72x72
Series: EM280 72D
Maximální přímý proud: --- A
Power supply: bez napájení
Počet fází: 2 x 3
6 x 1
Number of pieces in package: 1

out of stock

Code: 1053728

386,00 € without VAT / PC

Quantity

Log In

Forgot your password? Don't worry. We will send you a new one.
Not registered yet? Create new account

Contact form

Load